電氣火災知識
氣體滅火知識
主機維修
聯系我們
- 聯系人:郭經理
- 傳真:010-69552656
- 電話:400-0346-119
- 電話:010-57113119
- 郵箱:506665119@qq.com
- 地址:北京通州區新華北路117號
電氣火災監控系統規范及設計
來源:消防維保 時間:2018-01-10 15:05:42
一 前言
電氣火災報警系統隨著建筑設計防火規范的完善和工程應用的不斷普及而得到改進,與此同時人們對電氣火災報警系統的應用又在提出新的要求,不斷推進著電氣火災報警系統技術應用的發展,為有效預防和減少電氣火災的發生,規范工程建設中電氣火災監控系統的設計、施工等各項技術活動,制定本規程。

二 術語
1、電氣火災監控遠程服務系統
由電氣火災監控系統、網絡接入模塊、通信網絡組成的遠程監控建筑電氣火災安全狀態的系統。
2、電氣火災監控系統
3、電氣火災監控主機(以下簡稱主機)
接收和監控現場電氣火災監控器報警信號的裝置。
4、電氣火災監控器(以下簡稱監控器)
接收電氣火災探測器信號,并具有現場報警功能的監控裝置。
5、剩余電流傳感器
測量被保護線路的剩余電流值變化的傳感器,一般為剩余電流互感器。
6、電流傳感器
測量被保護線路中各線纜電流值變化的傳感器。
7、系統總線(以下簡稱總線)
主機與各電氣火災監控器之間傳輸數字信號的物理傳輸介質。
8、通信網絡
9、電氣火災網絡接入模塊
10、監控節點
設置在配電箱(柜)內的現場監控器件的設置位置。
11、設置場所
(1)電氣火災監控系統的設置應根據保護對象的使用性質、火災危險性、疏散和撲救難度等確定。
(2)《火災自動報警系統設計規范》GB50116中規定保護對象為特級、一級和二級的場所應設置電氣火災監控系統。
(3)符合新疆維吾爾自治區消防安全重點單位界定標準的場所應設置電氣火災監控系統。
(4)其它場所有條件的可設置電氣火災監控系統。
三 系統設計
1、保護對象選擇
(1)規范要求
(2)保護分級
為對配電系統進行有效監控,準確判斷出故障線路地址,及時發現隱患部位,減少故障停電影響范圍,應根據配電級數的分級和線路發生火災的危險性確定探測器的保護級數,探測保護級數采用二級。
(3)確定探測總點數
根據建筑的具體配電系統情況和確定的探測保護分級即可確定出需探測的配電供電線路總路數,每路供電線路需一個探測點數,可確定探測總點數。
2、探測器設置
(1)探測器設置在配電系統內需探測保護的配出供電線路上,需探測保護的配出供電線路的路數就是需設置的探測器的數量。
(2)配電室低壓開關柜探測器的設置:探測器設置在配電室低壓開關柜的各配出供電線路上,每路配出供電線路斷路器的輸出側安裝一只漏電和溫度探測器,配電室低壓開關柜配出供電線路的路數就是需設置探測器的數量。
(3)配電箱探測器的設置:漏電探測器設置在配電箱進線上,每路配出供電線路安裝一只溫度探測器,配電箱配出供電線路的路數就是需設置探測器的數量。
3、.隔離器設置
(1)當總線發生超過隔離動作電流或總線短路故障時,隔離器動作切斷總線的故障支路。
(2)配電室低壓開關柜每路配出供電線路需設置一只隔離器。每個配電箱至少設置一只隔離器,當一個配電箱設置的探測器數量超過5只時,設多只隔離器。但每只隔離器隔離探測器的數量不超過5只。
4、電氣監控設備設置
(2)電氣火災監控設備的安裝設置要符合火災報警控制器的安裝位置的設置要求,采用消防電源供電。
(4)應設置電氣火災監控系統信息圖形顯示系統。
5、系統圖設計
(1)確定電氣火災監控設備并標出安裝建筑位置,標出配電室建筑位置,并標出低壓開關柜編號和本低壓開關柜安裝的隔離器和探測器地址編碼范圍及其數量。
(2)標出配電箱建筑位置,并標出配電箱編號和本配電箱安裝的隔離器和探測器地址編碼范圍及其數量。--級保護設置在配電室低壓開關柜,共6組探測器,共6個隔離器,第二級保護設置在各樓配電箱,共5組探測器,共5個隔離器。
四 配電箱設計
1、探測器選型
根據需探測保護的配電供電線路的額定電流(參考斷路器額定電流)來確定探測器的型號。
2、斷路器及其分勵脫扣器選型
當需要探測器報警聯動切斷其保護的配出供電線路電源時,應選用帶脫扣的斷路器,短路器的額定工作電流應與配出供電線路相適合,并優先選用脫扣電壓為220VAC的分勵脫扣器。
3、安裝和布線
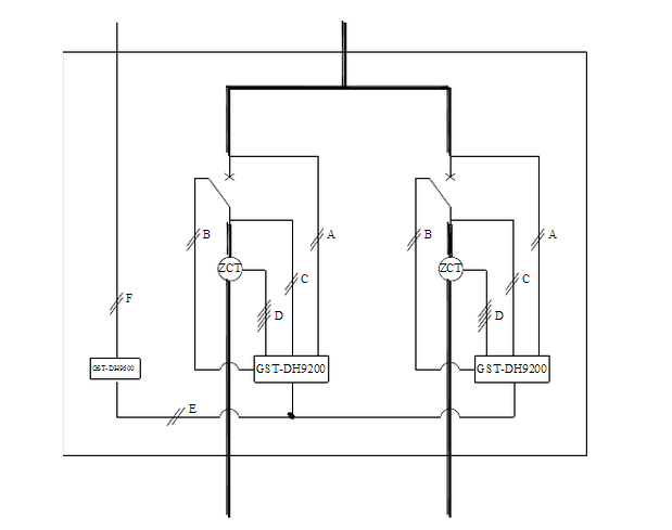
(1)一體化配電箱探測器安裝、布線示意圖如圖所示,圖中A為電源輸入線,B為輸出控制線,C為斷電檢測線,D為剩余電流檢測線,E、F為總線。

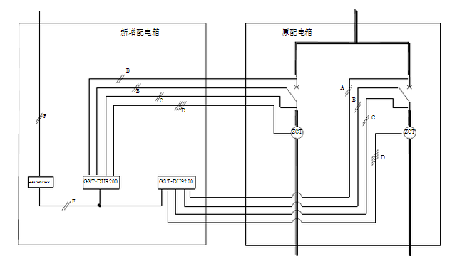
(2)分體配電箱探測器安裝、布線示意圖如圖所示,右虛線框內為原來的配電箱,左虛線框內為新增加的配電箱。在選擇新增加配電箱安裝位置時應注意零序電流互感器的信號線不能超過規定長度。圖中A為電源輸入線,B為輸出控制線,C為斷電檢測線,D為剩余電流檢測線,E、F為總線。

五 電氣火災監控探測器的安裝設計方式
根據電氣火災監控探測器產品的選型和工程配電系統特點,一般有以下幾種設計方式:
1、配電箱或控制箱內部形式的安裝設計
一般用于新工程在樓層設有專門樓層配電箱或控制箱。電氣火災監控探測器直接安裝在配電箱或控制箱內部適當位置。
2、配電箱或控制箱(柜)外部形式的安裝設計
對于新舊改造工程的應用,電氣火災監控探測器只需將電源先引入漏電報警開關裝置后再接入配電箱或控制箱。專門安裝漏電控制器的防火監控箱設在配電箱或控制箱附近。改造工程建議采用矩型的漏電互感器,可以盡量不觸動原來配電箱(柜)的內部導線和器件布置。
3、配電柜成套形式的安裝設計
直接在配電箱或控制箱面板上嵌入漏電控制器,只考慮在柜內適當位置固定電流互感器(一般在主空開上端或下端),不改動配電柜內部結構,不需增加單獨的漏電控制器安裝箱,即美觀、又不占空間。應在設計中明確提出要求,在施工圖會審完畢,由配電柜成套廠考慮預留面板上嵌裝電氣火災探測器的開孔尺寸。
六 安裝前的檢查
1、電氣火災監控系統設備在安裝前應核查以下內容:
(1)電氣火災監控系統設備的產品信息;
(2)電氣火災監控系統產品應具有--消防電子產品質量監督檢驗中心檢驗報告;
(3) 電氣火災監控系統設備外觀檢查。
2 、電氣火災監控系統設備參數的核對。
3 、施工安裝單位應具備相應的施工資質。




